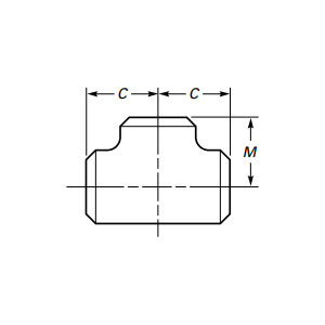
Az egyenlő póló a csőrendszerek kritikus szerelvénye, amelyet arra terveztek, hogy megosztja vagy kombinálja a folyadékáramlást, miközben állandó csőátmérőt tart fenn mindhárom nyíláson. Az egyenlő póló elsődleges szerepe, hogy megkönnyítse az áramlás megosztását vagy konvergenciáját a csőméret megváltoztatása nélkül, ami nélkülözhetetlenné teszi azokban a rendszerekben, ahol az állandó átmérő és a kiegyensúlyozott nyomás kritikus fontosságú. Az egyenlő pólóelemek a csőrendszerhez illeszkedő anyagokból készülnek a kompatibilitás, a korrózióállóság és a nyomástűrés biztosítása érdekében.
| Méret | DN15 (1/2") ~ DN3800 (150"); |
| Falvastagság | Sch5~150mm; |
| Írja be | Varrat nélküli/hegesztett. |
| Tanúsítvány | PED, AD2000, EAC, ABS, BV, DNV, NORSOK M650, ISO9001, ISO14001, ISO45001 stb. |
| Funkció bemutatása | A fő- és leágazó csövek különböző átmérőjűek, melyeket áramlásszabályozásra vagy leágazó csőméret változtatásra használnak. |
| Alkalmazási mezők | Széles körben használják a csővezeték-rendszerek csatlakozásaiban a petrolkémia, a földgázszállítás, az elektromos energia, a hajóépítés és az önkormányzati tervezés területén, alkalmas magas nyomású, magas hőmérsékletű és korrozív közegek környezetére. |
| Csomagolás | Tengerre alkalmas csomag, rétegelt lemez tokok vagy raklap, vagy az ügyfelek igényei szerint |
| Kiemelt termékek | 1、 Kis tétel minimális rendelés; |
Az equal tee egy sokoldalú, szimmetrikus szerelvény, amely lehetővé teszi a hatékony áramlásszabályozást a csőrendszerekben, biztosítva az átmérő, a nyomás és az alkalmazások közötti kompatibilitás konzisztenciáját. Megbízható, nagy teljesítményű szerelvényt keres az áramlási elosztás vagy konvergencia ésszerűsítésére? Ipari minőségű egyforma pólóinkat úgy tervezték, hogy kompromisszumok nélküli minőséget, szimmetriát és hosszú távú tartósságot biztosítsanak – tökéletesek a csőrendszerek hatékony, szivárgásmentes és alacsony karbantartási igényű megőrzéséhez.
A nyersanyagtól a végső szállításig szigorú ellenőrzést tartunk fenn minden szakaszban, hogy biztosítsuk a tartósságot, a teljesítményt és a konzisztenciát.
01
02
03
04
05
06
07
08
09
10
11
12
13
14
15
