A menetes karima forradalmasítja a csővezetékek csatlakoztatását azáltal, hogy biztonságos, hegesztésmentes megoldást kínál a menetes csövek összekapcsolására, így a tökéletes választás olyan környezetekben, ahol a biztonság és az alkalmazkodóképesség nem alku tárgya. A precíziós belső menettel kialakított karima zökkenőmentesen illeszkedik horganyzott acélcsövekhez vagy olyan rendszerekhez, ahol tilos a hegesztés – például gyúlékony, robbanásveszélyes vagy rendkívül érzékeny ipari környezetben. Innovatív kialakítása kiküszöböli a hegesztéssel kapcsolatos tűzveszélyt, biztosítja a szigorú biztonsági protokollok betartását, miközben robusztus, szivárgásmentes tömítést biztosít, amely ellenáll a nagy nyomási követelményeknek. A menetes csatlakozás lehetővé teszi a gyors telepítést és szétszerelést, lehetővé téve a karbantartó csapatoknak a rendszerek hibaelhárítását vagy frissítését speciális berendezések nélkül, csökkentve az állásidőt olyan kritikus műveleteknél, mint a vegyi feldolgozás, az olaj- és gázelosztás vagy a gyógyszergyártás.
| Méret | DN15 (1/2")-DN600 (24") |
| Nyomásértékelés | 0,6-4,0 MPa |
| Hőmérséklet tartomány | -45 ℃ és 260 ℃ között |
| Tanúsítvány | PED,AD2000,EAC,ABS,BV,DNV,NORSOK M650, ISO9001,ISO14001,ISO45001 stb. |
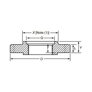
| Funkció bemutatása | A menetes karima belső csőmeneten keresztül csatlakozik a menetes csőhöz, kiküszöbölve a hegesztést. Ideális horganyzott acélcsövekhez vagy korlátozott hegesztési környezetekhez (gyúlékony/robbanékony). Könnyű telepítés és rugalmas karbantartás jellemzi, különösen alkalmas ötvözött acélhoz és más, rossz hegeszthetőségű anyagokhoz. |
| Alkalmazási mezők | Alkalmazható távolsági olaj- és gázvezetékek, tengeri platformok, vegyi berendezések, vízkezelő rendszerek, valamint élelmiszer- és gyógyszeripar csőkarimás csatlakozásaihoz, összetett munkakörülményekhez igazítva. |
| Csomagolás | Tengerre alkalmas csomag, rétegelt lemez tokok vagy raklap, vagy az ügyfelek igényei szerint |
| Kiemelt termékek | 1 、Kis tétel minimális rendelés; |
Ideális a hegesztési kihívásoknak kitett anyagokhoz – például az ötvözött acélhoz – a menetes karima megőrzi az anyag integritását, elkerülve a hő által okozott ridegséget vagy torzulást. Korrózióálló szerkezete, amely szénacélból vagy rozsdamentes acélból készül, hosszú élettartamot biztosít még zord környezetben is, a tengeri fúróplatformoktól az élelmiszer-tiszta higiéniai rendszerekig. A globális szabványoknak való szigorú megfelelésnek köszönhetően ez a karima megbízhatóságot garantál nagy igénybevételű alkalmazásokban, beleértve a hidraulikus rendszereket, a kriogén csővezetékeket és az éghető folyadékok szállítását. A biztonságot, a hatékonyságot és a költséghatékony karbantartást előtérbe helyező iparágak számára a menetes karima átalakító megoldás. Emelje fel infrastruktúráját még ma prémium menetes karimákkal – ahol az innováció és a kompromisszumok nélküli biztonság találkozik, lehetővé téve, hogy rendszerei hibátlanul működjenek a legnehezebb körülmények között is. Válassza a magabiztosságot, a tartósságot, és határozza meg újra a folyamatban rejlő lehetőségeket.
A nyersanyagtól a végső szállításig szigorú ellenőrzést tartunk fenn minden szakaszban, hogy biztosítsuk a tartósságot, a teljesítményt és a konzisztenciát.
01
02
03
04
05
06
07
08
09
10
11
12
