A Weld Neck Flange a végső megoldás a nagynyomású, magas hőmérsékletű környezetekben, úgy tervezték, hogy robusztus tompahegesztett csatlakozása és precíziósan gyártott tömítőfelülete révén páratlan megbízhatóságot biztosítson. A kritikus alkalmazásokhoz tervezett karima teljesen áthatoló tompahegesztéssel tökéletesen illeszkedik a csővezetékekhez, és olyan monolitikus szerkezetet hoz létre, amely ellenáll az extrém nyomásoknak, hőingadozásoknak és mechanikai igénybevételeknek – így nélkülözhetetlen az olajfinomítókban, a petrolkémiai üzemekben és az atomerőművekben. Kúpos nyakú kialakítása nemcsak megerősíti a szerkezeti integritást, hanem minimálisra csökkenti a feszültségkoncentrációt is, így biztosítva a hosszú távú teljesítményt nehéz körülmények között is. A gyártási folyamat – amely magában foglalja a fejlett kovácsolást, a feszültségmentesítő hőkezelést, a precíziós kikészítést, a szigorú roncsolásmentes vizsgálatot (NDT) és a korróziógátló felületkezeléseket – garantálja, hogy az alkatrész biztonsága és tartóssága meghaladja az ipari szabványokat.
| Átmérő | DN15 (1/2") - DN3500 (138") |
| Nyomás | 0,25-25 MPa |
| Tanúsítvány | PED, AD2000, EAC, ABS, BV, DNV, NORSOK M650, ISO9001, ISO14001, ISO45001 stb. |
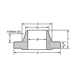
| Funkció bemutatása | A tompahegesztési csatlakozás nagy szilárdságú tömítést biztosít nagynyomású (HP) és magas hőmérsékletű (HT) alkalmazásokhoz, biztosítva a szivárgásmentes teljesítményt extrém körülmények között |
| Alkalmazási mezők | Alkalmazható távolsági olaj- és gázvezetékek, tengeri platformok, vegyi berendezések, vízkezelő rendszerek, valamint élelmiszer- és gyógyszeripar csőkarimás csatlakozásaihoz, összetett munkakörülményekhez igazítva. |
| Csomagolás | Tengerre alkalmas csomag, rétegelt lemez tokok vagy raklap, vagy az ügyfelek igényei szerint |
| Kiemelt termékek | 1 、Kis tétel minimális rendelés; |
A korrozív tengervizet tűrő tenger alatti csővezetékektől a perzselő hőmérsékleten működő gőzturbinákig a Weld Neck Flange biztosítja a szivárgásmentes tömítést és a működés folytonosságát. A megalkuvást nem ismerő minőséget igénylő iparágak, mint például a légiközlekedési folyadékrendszerek vagy a kriogén tárolók, a ciklikus terhelés és a durva közegnek való kitettség alatti integritásának megőrzésére támaszkodnak. A kiváló anyagrugalmasságot a precíziós tervezéssel kombinálva ez a karima csökkenti az életciklus költségeit a minimális állásidő és karbantartás révén. A nagy téttel rendelkező infrastruktúra védelmével megbízott mérnökök számára a Weld Neck Flange a végleges választás. Növelje rendszere teljesítményét még ma a prémium hegesztett nyakú karimákkal – ahol a csúcstechnológiás gyártás találkozik az ipari szintű ellenálló képességgel, lehetővé téve, hogy műveletei legyőzzék a nyomás, a hőmérséklet és az idő szélsőségeit. Válassza a kiválóságot, válassza a tartósságot, és építsen jövőálló alapot kritikus rendszerei számára.
A nyersanyagtól a végső szállításig szigorú ellenőrzést tartunk fenn minden szakaszban, hogy biztosítsuk a tartósságot, a teljesítményt és a konzisztenciát.
01
02
03
04
05
06
07
08
09
10
11
12
