A Lap Joint Flange újradefiniálja a csőrendszerek rugalmasságát, dinamikus megoldást kínálva a hőtágulási és összehúzódási feszültségek kezelésére, miközben lehetővé teszi a zökkenőmentes szétszerelést alacsony nyomású alkalmazásokban. A robusztus karimás gyűrűt egy elforgatható karimás alkatrészrel kombinálva ez az innovatív kialakítás lehetővé teszi a csővezetékek szabályozott axiális mozgását, hatékonyan elnyeli a hőmérséklet okozta elmozdulásokat a szerkezeti integritás veszélyeztetése nélkül. Kétféle konfigurációban kapható – tompahegesztő gyűrű típus (PJ/SE) a nagy pontosságú hegesztett kötésekhez és lapos hegesztési gyűrű típus (PJ/RJ) az egyszerűbb telepítéshez – a különféle működési igényeket kielégíti, miközben megőrzi a szivárgásmentes teljesítményt. A prémium szénacélból vagy rozsdamentes acélból készült karima ellenáll a korróziónak és a mechanikai kopásnak, biztosítva a megbízhatóságot az olyan iparágakban, mint a vegyi feldolgozás, a vízkezelés és az élelmiszergyártás, ahol a gyakori karbantartás vagy a berendezések frissítése rutinszerű.
| Átmérő | DN50 (2") - DN2000 (80") |
| Nyomás | 0,6-2,5 MPa |
| Tanúsítvány | PED, AD2000, EAC, ABS, BV, DNV, NORSOK M650, ISO9001, ISO14001, ISO45001 stb. |
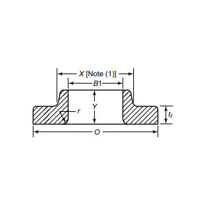
| Funkció bemutatása | A karimás gyűrűvel és karimával kombinálva lehetővé teszi a csővezeték tengelyirányú elmozdulását és csökkenti a hőtágulási feszültséget. Típusai: tompahegesztő gyűrű (PJ/SE) és lapos hegesztőgyűrű (PJ/RJ). Alkalmas alacsony nyomású csővezetékekhez, amelyek gyakori szétszerelést igényelnek. |
| Alkalmazási mezők | Alkalmazható távolsági olaj- és gázvezetékek, tengeri platformok, vegyi berendezések, vízkezelő rendszerek, valamint élelmiszer- és gyógyszeripar csőkarimás csatlakozásaihoz, összetett munkakörülményekhez igazítva. |
| Csomagolás | Tengerre alkalmas csomag, rétegelt lemez tokok vagy raklap, vagy az ügyfelek igényei szerint |
| Kiemelt termékek | 1、 Kis tétel minimális rendelés; |
Forgó mechanizmusa leegyszerűsíti a beállítást az összeszerelés során, csökkentve a munkaerőköltségeket és az állásidőt olyan rendszerekben, mint a hidraulikus gépek, HVAC hálózatok vagy moduláris ipari rendszerek. Azáltal, hogy elszigeteli a karima mozgását a csővezeték feszültségétől, meghosszabbítja a tömítések és csavarok élettartamát, csökkentve a hosszú távú csereköltségeket. A termikus kompenzációt igénylő offshore platformoktól a steril, könnyen tisztítható csatlakozásokat igénylő gyógyszergyárakig a Lap Joint Flange biztosítja az ASME és az EN szabványoknak való megfelelést, miközben alkalmazkodik a változó működési igényekhez. A szigorú tesztelés és a sokoldalú kompatibilitás mellett a mérnökök rugalmas, jövőképes infrastruktúrát tervezhetnek. Frissítse csőrendszereit még ma az átlapolt csuklós karimákkal – ahol a precíziós tervezés találkozik az alkalmazkodóképességgel, lehetővé téve, hogy működése dinamikus környezetben is boldoguljon. Válassza a rugalmasságot, válassza a kitartást, és nyitja meg a hatékonyság új korszakát.
A nyersanyagtól a végső szállításig szigorú ellenőrzést tartunk fenn minden szakaszban, hogy biztosítsuk a tartósságot, a teljesítményt és a konzisztenciát.
01
02
03
04
05
06
07
08
09
10
11
12
