Az aljzathegesztő karima újradefiniálja a nagynyomású csővezeték-csatlakozásokat azáltal, hogy integrálja a kiváló szilárdságot a zökkenőmentes folyadékdinamikával, amelyet úgy terveztek, hogy páratlan teljesítményt nyújtson kompakt, nagy igénybevételű alkalmazásokban. Ez a kis átmérőjű csövekhez tervezett karima dugaljhegesztési konfigurációt alkalmaz, amely magában foglalja a hegesztési kötést a karimában, kiküszöbölve a külső hegesztési kiemelkedéseket és minimalizálva az áramlási ellenállást – ez kritikus előny azokban a rendszerekben, ahol a turbulencia csökkentése és a higiénia a legfontosabb. A rejtett hegesztés nemcsak egyszerűsíti a tisztítást és ellenőrzést steril környezetben, például gyógyszerészeti vagy élelmiszer-feldolgozó üzemekben, hanem javítja a szerkezeti integritást is, ellenáll a vibrációnak és a nyomáslökéseknek olaj- és gázfinomítókban, vegyi reaktorokban vagy nagynyomású gőzvezetékekben. Kovácsolt szénacélból vagy rozsdamentes acélból precíziósan megmunkált, a korrózióállóságot kivételes szakítószilárdsággal ötvözi, így még szélsőséges hőmérsékleten és nyomáson is szivárgásmentes tömítést biztosít.
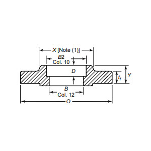
| Átmérő tartomány | DN15(1/2")-DN150(6") |
| Nyomás minősítés | 1,6-16 MPa |
| Tanúsítvány | PED, AD2000, EAC, ABS, BV, DNV, NORSOK M650, ISO9001, ISO14001, ISO45001 stb. |
| Funkció bemutatása | Dugós hegesztőcsatlakozás, Rejtett hegesztési kialakítás csökkenti az áramlási ellenállást, Kis átmérőjű, nagynyomású alkalmazásokhoz optimalizálva, Kiváló tömítési teljesítmény |
| Alkalmazási mezők | Alkalmazható távolsági olaj- és gázvezetékek, tengeri platformok, vegyi berendezések, vízkezelő rendszerek, valamint élelmiszer- és gyógyszeripar csőkarimás csatlakozásaihoz, összetett munkakörülményekhez igazítva. |
| Csomagolás | Tengerre alkalmas csomag, rétegelt lemez tokok vagy raklap, vagy az ügyfelek igényei szerint |
| Kiemelt termékek | 1、 Kis tétel minimális rendelés; |
Kompakt kialakítása leegyszerűsíti a szűk helyekre történő beszerelést, míg a robusztus csatlakozás ellenáll a ciklikus hőtágulásnak, így ideális offshore platformokhoz, energiatermelő turbinákhoz és hidraulikus rendszerekhez. A potenciális gyenge pontok kiküszöbölésével és a karbantartási ciklusok csökkentésével ez a karima feljogosítja az iparágakat arra, hogy a biztonságot prioritásként kezeljék a hatékonyság feláldozása nélkül. Az ASME B16.5 szabványoknak való megfelelésnek és a szigorú roncsolásmentes tesztelésnek köszönhetően garantálja a megbízhatóságot a kritikus műveletekben. Azon mérnökök számára, akik olyan kompakt, nagynyomású megoldást keresnek, amely a tartósságot és a folyadékoptimalizálást ötvözi, az aljzathegesztő karima a tökéletes választás. Emelje fel infrastruktúráját még ma precíziós tervezésű karimáinkkal – ahol az innováció találkozik a rugalmassággal, lehetővé téve, hogy rendszerei precízen, biztonsággal és megingathatatlan magabiztossággal működjenek. Válassza a kiválóságot, válasszon kitartást, és alakítsa át csővezetékének lehetőségeit.
A nyersanyagtól a végső szállításig szigorú ellenőrzést tartunk fenn minden szakaszban, hogy biztosítsuk a tartósságot, a teljesítményt és a konzisztenciát.
01
02
03
04
05
06
07
08
09
10
11
12
