A kovácsolt 90 fokos menetes könyök újradefiniálja a csővezeték-rendszerek hatékonyságát, robusztus megoldást kínálva a precíz 90°-os irányváltoztatáshoz, miközben menetes csatlakozási kialakításának köszönhetően könnyű telepítést és karbantartást biztosít. A kiváló minőségű kovácsolt szénacélból vagy rozsdamentes acélból készült könyök a kivételes szilárdságot és a korrózióállóságot ötvözi, így ideális olyan alacsony nyomású folyadékrendszerekhez, ahol a megbízhatóság és az alkalmazkodóképesség a legfontosabb. A menetes végek lehetővé teszik a gyors össze- és szétszerelést speciális szerszámok nélkül, leegyszerűsítve a karbantartási rutinokat olyan alkalmazásokban, mint a vízelosztó hálózatok, a HVAC rendszerek és az ipari öntözési rendszerek. Kompakt kialakítása könnyedén navigál a szűk helyeken, optimalizálja az áramlási hatékonyságot, miközben minimalizálja a turbulenciát és a nyomásesést – ez kritikus előny olyan szűk környezetekben, mint a hajómérnöki, élelmiszer-feldolgozási és gyógyszerészeti létesítmények.
| Méret | DN15 (1/2") ~ DN600 (24") |
| Nyomásszint | 2000-6000 osztály |
| Szál típusa | NPT, BSPP, BSPT |
| Tanúsítvány | PED, AD2000, EAC, ABS, BV, DNV, NORSOK M650, ISO9001, ISO14001, ISO45001 stb. |
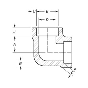
| Funkció bemutatása | Menetes csatlakozású csővezetékek 90°-os irányú elfordítására használható, könnyen szétszerelhető és karbantartható, alkalmas alacsony nyomású folyadékrendszerekhez. |
| Alkalmazási mezők | Nagynyomású csővezeték-rendszerekhez tervezve, alkalmas kulcsfontosságú alkatrészek csatlakoztatására és irányítására, mint például kőolaj-finomítás, atomenergetikai berendezések, vegyi berendezések, kazán nyomástartó edények stb. |
| Csomagolás | Tengerre alkalmas csomag, rétegelt lemez tokok vagy raklap, vagy az ügyfelek igényei szerint |
| Kiemelt termékek | 1、 Kis tétel minimális rendelés; |
Az ingadozó hőmérsékletnek és a mechanikai igénybevételnek ellenálló könyökcső szivárgásmentes teljesítményt biztosít a hidraulikus rendszerekben, a pneumatikus vezérlőkben és az alacsony nyomású gőzvezetékekben, csökkentve az állásidőt és a hosszú távú működési költségeket. Az összetett útvonaltervezés ésszerűsítésével és a lehetséges hibapontok kiküszöbölésével lehetővé teszi az iparágak számára, hogy zökkenőmentesen kezeljék a folyadékkezelést még szűkös hely elrendezésekben is. A tartósságot, a rugalmasságot és a költséghatékonyságot előnyben részesítő mérnökök számára a kovácsolt 90 fokos menetes könyök megbízható szövetséges. Frissítse infrastruktúráját még ma precíziósan kovácsolt könyökeinkkel – ahol a robusztus teljesítmény találkozik az intelligens tervezéssel, biztosítva, hogy rendszerei hibátlanul működjenek a modern ipar követelményei között. Válassza a megbízhatóságot, a hatékonyságot, és alakítsa át csővezeték-hálózatait egy tartós megoldással.
A nyersanyagtól a végső szállításig szigorú ellenőrzést tartunk fenn minden szakaszban, hogy biztosítsuk a tartósságot, a teljesítményt és a konzisztenciát.
01
02
03
04
05
06
07
08
09
10
11
12
