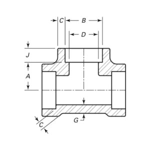
A Forged Equal Tee egy kritikus kovácsolt csőszerelvény három azonos átmérőjű nyílással, amelyet a folyadék-, gáz- vagy gőzáram egyenletes megosztására vagy kombinálására terveztek a csővezetékrendszerekben. Ellentétben az egyenlőtlen pólókkal, szimmetrikus szerkezete kiegyensúlyozott áramláseloszlást biztosít, kiküszöbölve a nyomáskiegyensúlyozatlanságokat, amelyek megzavarhatják a rendszer teljesítményét – így alapvető fontosságú ipari alkalmazásokban, ahol a folyamatos áramlás létfontosságú.
| Méret | DN15 (1/2") ~ DN600 (24") |
| Nyomásszint | 2000-6000 osztály |
| Szál típusa | NPT, BSPP, BSPT |
| Tanúsítvány | PED,AD2000,EAC,ABS,BV,DNV,NORSOK M650, ISO9001,ISO14001,ISO45001 stb. |
| Funkció bemutatása | Valósítsa meg a 45°-os csőesztergálást, a menetes csatlakozási kialakítás helyet takarít meg a telepítéshez, alkalmas kompakt csővezeték-elrendezésre. |
| Alkalmazási mezők | Nagynyomású csővezeték-rendszerekhez tervezve, alkalmas kulcsfontosságú alkatrészek csatlakoztatására és irányítására, mint például kőolaj-finomítás, atomenergetikai berendezések, vegyi berendezések, kazán nyomástartó edények stb. |
| Csomagolás | Tengerre alkalmas csomag, rétegelt lemez tokok vagy raklap, vagy az ügyfelek igényei szerint |
| Kiemelt termékek | 1 、Kis tétel minimális rendelés; |
Előnyei közé tartozik a robusztus szerkezeti integritás (a kovácsolás minimálisra csökkenti a repedés kockázatát), az egyszerű integráció (a hegesztett/menetes csatlakozások szabványos csövekhez illeszkednek) és a hosszú élettartam. Az egyenletes áramlást lehetővé téve csökkenti a lefelé irányuló alkatrészek kopását, így elengedhetetlen a megbízható és hatékony csővezeték-működéshez.
A nyersanyagtól a végső szállításig szigorú ellenőrzést tartunk fenn minden szakaszban, hogy biztosítsuk a tartósságot, a teljesítményt és a konzisztenciát.
01
02
03
04
05
06
07
08
09
10
11
12
